一、功能与用途
HD-DLⅢ型反冲洗式自洁式过滤器广泛用于冶金、化工、石油、造纸、医药、食品、采矿、电力、城市给水领域。诸如工业废水,循环水的过滤,乳化液的再生,废油过滤处理,冶金行业的连铸水系统、高炉水系统,热轧用高压水除磷系统。是一种先进、高效且易操作的全自动过滤装置。
二、设备结构与工作原理
HD-DLⅢ型反冲洗式自洁式过滤器由壳体、多元滤芯、反冲洗机构、电控箱、减速机、电动阀门和差压控制器等部分组成。壳体内的横隔板将其内腔分为上、下两腔,上腔内配有多个过滤芯,这样充分利用了过滤空间,显著缩小了过滤器的体积,下腔内安装有反冲洗吸盘。工作时,浊液经入口进入过滤器下腔,又经隔板孔进入滤芯的内腔。大于过滤芯缝隙的杂质被截留,净液穿过缝隙到达上腔,最后从出口送出。
本过滤器芯采用高强度的Johnson楔形滤网,通过压差控制、定时控制自动清洗滤芯。当过滤器内杂质积聚在滤芯表面引起进出口压差增大到设定值,或定时器达到预置时间时,电动控制箱发出信号,驱动反冲洗机构。当反冲洗吸盘口与滤芯进口正对时,排污阀打开,此时系统泄压排水,吸盘与滤芯内侧出现一个相对压力低于滤芯外侧水压的负压区,迫使部分净循环水从滤芯外侧流入滤芯内侧,吸附在滤芯内壁上的杂质微粒随水流进吸盘内并从排污阀排出。特殊设计的Johnson滤网使得滤芯内部产生喷射效果,任何杂质都将被从光滑的内壁上冲走。当过滤器进出口压差恢复正常或定时器设定时间结束,电机停止运转,电动排污阀关闭。整个过程中,物料不断流,反洗耗水量少,实现了连续化,自动化生产。
三、本机特点
a. 本过滤器减速机构采用NRV型减速机;
b. 密封装置采用CVA62.1-85标准增强四氟双端面密封结构,密封性能可靠、使用寿命长、承压能力强;
c. 顶部设有自动排气阀,结构紧凑、启闭灵敏;
d. 差压取样部分采用D520/7DD型切换差可调式差压控制器,信号反馈正确;
e. 滤芯采用高强度Johnson滤网,缝隙精确率高、有效过滤面积大、压降小,反冲洗效率高;
f. 滤芯花板采用304不锈钢,与反冲洗吸盘工作界面进行镜面处理;
g. 反冲洗吸盘采用增强聚四氟乙烯结构及反冲洗吸盘自整机构,能确保吸盘与滤芯花板的长效密封,增强了反冲洗效果;
h. 本过滤器电气控制部分采用PLC可编程控制器,清洗模式采用差压控制、定时控制及手动控制并联模式,清洗程序采用定时定位模式,反洗耗水量小,清洗彻底;
i. 电控箱采用立柱子全透屏户外防水型结构。
四、工作原理图 |
|
|
 |
 |
|
| 正常过滤状态 滤芯反冲洗状态 HD-DL III型反冲洗式自洁式过滤器 |
|
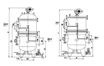
| 五、技术参数及外形安装尺寸 |
|
公称直径
|
mm
|
150
|
200
|
250
|
300
|
350
|
400
|
500
|
600
|
700
|
800
|
900
|
1000
|
1200
|
|
设计压力
|
MPa
|
1.0MPa(另外有1.6MPa和2.5MPa可供选用)
|
|
|
|
|
|
过滤精度
|
|
(1)冲孔板结构:≥1000um
|
|
(2)复合编织网结构:≥25um
|
|
(3)楔形网:Johnson≥50um
|
|
电机功率
|
KW
|
0.15~2.2
|
|
筒体直径
|
D
|
500
|
600
|
600
|
900
|
900
|
1000
|
1200
|
1400
|
1600
|
1600
|
1800
|
2000
|
2400
|
|
进口高度
|
H1
|
650
|
700
|
700
|
800
|
800
|
900
|
1000
|
1000
|
1100
|
1100
|
1200
|
1300
|
1500
|
|
出口高度
|
H2
|
1150
|
1200
|
1200
|
1450
|
1450
|
1700
|
1850
|
2000
|
2100
|
2400
|
2600
|
2800
|
3300
|
|
总高
|
H
|
2000
|
2000
|
2000
|
2350
|
2350
|
2650
|
2900
|
3050
|
3250
|
3550
|
3950
|
4260
|
5000
|
|
进出口法兰距离
|
B
|
800
|
900
|
900
|
1200
|
1200
|
1300
|
1500
|
1800
|
2000
|
2000
|
2200
|
2400
|
2800
|
|
螺孔
|
n-Φ
|
3-Φ24
|
3-Φ24
|
3-Φ24
|
3-Φ24
|
3-Φ24
|
3-Φ24
|
4-Φ26
|
4-Φ30
|
4-Φ30
|
4-Φ30
|
4-Φ30
|
4-Φ30
|
4-Φ30
|
|
支座安装中心圆
|
D0
|
450
|
500
|
500
|
720
|
720
|
850
|
960
|
1200
|
1400
|
1400
|
1500
|
1700
|
1950
|
|
参考流量m3/h
|
Q
|
160
|
230
|
400
|
600
|
900
|
1000
|
1800
|
2500
|
3000
|
4000
|
5400
|
7000
|
10000
|
|
|
|