产品概述
过滤器是除去液体中少量固体颗粒的小型设备,可保护压缩机、泵、仪表和其它设备的正常工作,当流体进入置有一定规格滤网的滤筒后,其杂质被阻挡,而清洁的滤液则由过滤器出口排出,当需要清洗时,只要将可拆卸的滤筒取出,处理后重新装入即可,因此,使用维护极为方便。本公司生产的过滤器具有结构紧凑、过滤能力大、压损小、适用范围广、维护方便、价格低廉等优点,其主要适用的物料有:化工、石油化工生产中弱腐蚀性物料,如:水、油品、氨、烃类等。化工生产中的腐蚀性物料,如:烧碱、纯碱、浓稀硫酸、碳酸、醛酸等。制冷中的低温物料,如:液甲烷、液氨、液氧和各种冷剂。食品、制药生产中有卫生要求的物料,如:啤酒、饮料、乳制品、糖浆等。
型号标注
本公司生产的管道过滤器,主要有:1、Y型过滤器 2、T型过滤器 3、篮式过滤器 4、临时过滤器 5、气体过滤器。 其型号标注如下:
 
1、Y型过滤器
(1)Y型铸造螺纹连接式(PFYI-R型)、承插焊接式(PFYI-SW型)(DNl5—50,PN≤5.0Mpa)
PFYI-R、PFYI—SW型
|
型号
|
YI-R
|
型号
|
YI-SW
|
|
DN
|
D
|
L
|
H
|
N
|
DN
|
D
|
L
|
H
|
N
|
|
15
|
Rc1/2
|
100
|
74
|
Rc1/4
|
15
|
21.8/18.5
|
100
|
74
|
Rc1/4
|
|
20
|
Rc3/4
|
110
|
88
|
20
|
27.4/25.5
|
110
|
88
|
|
25
|
Rc1
|
130
|
103
|
25
|
34.2/32.5
|
130
|
103
|
|
32
|
Rc1 1/4
|
160
|
110
|
32
|
42.9/38.5
|
160
|
110
|
|
40
|
Rc1 1/2
|
180
|
132
|
40
|
48.8/45.6
|
180
|
132
|
|
50
|
Rc2
|
200
|
153
|
Rc3/8
|
50
|
61.3/58
|
200
|
153
|
Rc3/8
|
|
|
(2)Y型铸造同径法兰连接式(PFYI—F型)(DNl5—250,PN≤5.0MPa)
 |
|
DN
|
L
|
H
|
N
|
|
15
|
140
|
120
|
Rc1/4
|
|
20
|
140
|
120
|
|
|
25
|
140
|
120
|
|
|
32
|
170
|
160
|
Rc3/8
|
|
40
|
270
|
160
|
|
|
50
|
270
|
180
|
|
|
65
|
290
|
190
|
|
|
80
|
360
|
250
|
Rc3/4
|
|
100
|
410
|
280
|
|
|
125
|
480
|
330
|
|
|
150
|
520
|
360
|
|
|
200
|
660
|
450
|
M20×1.5
|
|
250
|
870
|
670
|
|
|
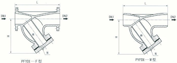
(3)Y型铸造异径法兰连接式(PFYDI一F型)、异径对焊连接式(PYFDI—W型)(DN40×32-250×200,PN≤5.OMPa)

PFYDI-F,PYFDI-W型
|
DN1×DN2
|
YDI-F , L
|
YDI-W , L
|
H
|
N
|
|
40×32
|
250
|
210
|
160
|
Rc1/4
|
|
50×40
|
270
|
240
|
190
|
Rc3/8
|
|
80×50
|
320
|
310
|
250
|
|
|
80×65
|
360
|
310
|
260
|
Rc3/4
|
|
100×65
|
410
|
370
|
280
|
|
|
100×80
|
410
|
370
|
280
|
|
|
150×100
|
520
|
490
|
360
|
|
|
200×100
|
660
|
600
|
450
|
M20×1.5
|
|
200×150
|
660
|
600
|
450
|
|
|
250×200
|
870
|
800
|
670
|
|
(4)Y型焊接锥管螺纹式(PFYII-R型)、承插焊式(PFYII-SW型) (DN15—40,PN≤5.OMPa)

PFYII-R,PFYII-SW型
|
DN
|
L
|
N
|
H
|
YII-R型
|
YII-SW型
|
|
D
|
D
|
T
|
|
15
|
130
|
Rc3/8
|
169
|
Rc1/2
|
21.8/18.5
|
10
|
|
20
|
130
|
179
|
Rc3/4
|
27.4/25.5
|
13
|
|
25
|
140
|
182
|
Rc1
|
34.2/32.5
|
13
|
|
32
|
160
|
209
|
Rc11/4
|
42.9/38.5
|
13
|
|
40
|
170
|
217
|
Rc11/2
|
48.8/45.6
|
13
|
(5)Y型焊接法兰连接式(PFYII-F型)(DNl5—400、PN≤5.OMpa) PFYH-F型
|
DN
|
L
|
H
|
N
|
|
15
|
260
|
180
|
|
|
20
|
270
|
190
|
Rc1/4
|
|
25
|
270
|
190
|
|
|
32
|
280
|
230
|
Rc1/4
|
|
40
|
280
|
230
|
|
|
50
|
290
|
245
|
|
|
65
|
320
|
280
|
|
|
80
|
350
|
315
|
Rc3/8
|
|
100
|
425
|
360
|
|
|
125
|
480
|
390
|
|
|
150
|
540
|
460
|
Rc3/4
|
|
200
|
700
|
540
|
|
|
250
|
800
|
660
|
|
|
300
|
950
|
750
|
M20×1.5
|
|
350
|
1050
|
845
|
|
|
400
|
1250
|
920
|
|
|
|
(6)Y型带夹套焊制法兰连接式(PFYJII-F型) (DN20~200,PN≤5.OMPa) PFYJII—F型
|
DN
|
L
|
H
|
进出口a,b
|
蒸汽压力
|
N
|
|
20
|
370
|
235
|
G1/2
|
≤0.6MPa
|
Rc1/4
|
|
25
|
370
|
235
|
|
32
|
390
|
275
|
|
40
|
390
|
285
|
G3/4
|
|
50
|
420
|
295
|
Rc3/8
|
|
65
|
450
|
330
|
|
80
|
500
|
370
|
|
100
|
575
|
415
|
|
125
|
650
|
450
|
|
150
|
700
|
525
|
DN25
|
Rc3/4
|
|
200
|
890
|
610
|
|
 |
(7)Y型异径法兰连接式(PFYDIII一F—A,PFYDII—F—B,PFYDII—F—C型)(PN≤10.OMPa)
(8)Y型焊制异径对焊接式(PFYDII—W—A,PFYDII-W—B,PFYDII—W—C型)(PN≤10.OMPa)

PFYDⅡ—F—A,8,C,PFYDⅡ—W——A,B,C型
|
DN1×DN2
|
H
|
D
|
YDII-F-A,B,C型L
|
YDII-W-A,B,C 型L
|
|
PN≤2.0
|
PN≤5.0
|
PN≤10.0
|
|
50×40
|
230
|
40
|
320
|
332
|
337
|
190
|
|
65×40
|
240
|
50
|
320
|
332
|
337
|
190
|
|
65×50
|
240
|
50
|
320
|
332
|
338
|
190
|
|
80×40
|
240
|
50
|
320
|
335
|
340
|
190
|
|
80×50
|
280
|
65
|
340
|
355
|
360
|
200
|
|
80×65
|
280
|
65
|
340
|
355
|
360
|
200
|
|
100×50
|
280
|
65
|
400
|
415
|
440
|
260
|
|
100×65
|
310
|
80
|
425
|
440
|
460
|
280
|
|
100×80
|
310
|
80
|
425
|
445
|
460
|
280
|
|
125×65
|
310
|
80
|
415
|
455
|
470
|
280
|
|
125×80
|
350
|
100
|
465
|
485
|
505
|
300
|
|
125×100
|
350
|
100
|
470
|
490
|
520
|
300
|
|
150×80
|
350
|
100
|
490
|
510
|
535
|
330
|
|
150×100
|
350
|
100
|
500
|
520
|
555
|
335
|
|
150×125
|
400
|
125
|
545
|
565
|
600
|
360
|
|
200×100
|
400
|
125
|
570
|
590
|
630
|
390
|
|
200×125
|
400
|
150
|
580
|
600
|
640
|
390
|
|
200×150
|
450
|
150
|
615
|
635
|
675
|
425
|
|
250×125
|
450
|
200
|
645
|
670
|
725
|
455
|
|
250×150
|
450
|
200
|
645
|
670
|
725
|
455
|
|
250×200
|
530
|
200
|
730
|
755
|
810
|
525
|
|
300×150
|
530
|
200
|
780
|
800
|
850
|
575
|
|
300×200
|
530
|
200
|
800
|
825
|
870
|
585
|
|
300×250
|
670
|
250
|
870
|
900
|
960
|
655
|
|
350×200
|
670
|
250
|
860
|
890
|
950
|
655
|
|
350×250
|
670
|
250
|
860
|
890
|
950
|
655
|
|
350×300
|
750
|
300
|
960
|
990
|
1040
|
720
|
|
400×250
|
750
|
300
|
1080
|
1110
|
1190
|
850
|
|
400×300
|
750
|
350
|
1100
|
1140
|
1190
|
860
|
|
400×350
|
850
|
350
|
1180
|
1220
|
1270
|
925
|
|