一、产品简介
HD-DG系列袋式精细过滤器主要由滤袋、滤框、壳体三部分组成一个简便、高效、经济的过滤系统,待过滤物料由上口进入滤袋,杂质被截留在滤袋内,从而得到干净的流体。由于其操作方便,成本低廉、处理量大、过滤精度高,因而广泛用于石油产品、化工产品、油漆、食品饮料、污水等方面的过滤。
HD-BF系列袋式精细过滤器适用于任何微细颗粒(小于1000ppm)的过滤,精度范围可从1至1000μm处理量从1至1000m3/h的液体过滤。
二、常用滤袋介绍
滤袋是袋式精细过滤器的核心件,构成滤袋材料有聚丙烯、聚酯、聚芳酰胺、聚四氟乙烯、尼龙、羊毛等,过滤精度1-1000μm,选用时应根据不同介质,过滤时的温度、化学条件来确定。
◆针毡布滤袋
利用深层过滤原理工作,针毡布滤袋可滤除大量的固体或凝胶类软杂质。100%纯净纤维用针刺方法做成立体三维过滤层面,较大颗粒杂质被袋表面捕捉,而微细颗粒则被捕捉于滤材深度中,因而是一种深度性滤材。过滤精度从1-200μm。针毡布滤袋具有成本低、过滤面积大、压差小的优点,是最经济的过滤方式,针毡布滤表面经过特殊处理,确保纤维无脱落,但滤袋不可清洗和再使用。
◆熔吹无纺布滤袋
由多层聚丙烯微纤丝组成的深度性无纺布滤材。内层-由聚丙烯针毡布组成,有初过滤功能;中间层-由聚丙烯微纤丝的熔吹无纺布组成,过滤1-100μm,过滤效率达98%;外层由聚丙烯纺织纤维组成,有高强度及无纤维脱落的功能。熔吹无纺布滤袋过滤精度:1、3、5、10、25、50、100μm。我厂提供的滤袋有二种规格,单一长度:外径约φ100,长度430;双倍长度:外径约φ180,长度860。 |
|
|
| 三、主要应用领域 |
| 石油化工 |
1.航空煤油及润滑的过滤 |
食品及饮料 |
1.啤酒中的P的过滤 |
| 2.石油及燃料油添加剂的过滤 |
2.葡萄酒、威士忌和啤酒的抛光过滤 |
| 3.油品回收 |
3.烹饪油不杂质颗粒的去除 |
| 4.石油及天然气脱硫脱水溶剂的过滤 |
4.去除纤维素中的碳黑 |
| 5.PVC生产中的液体及气体过滤 |
5.玉米糖浆的抛光过滤 |
| 6.动植物提取液的滤清 |
| 化学品 |
1.催化剂回收 |
7.食用醋和酱油的抛光过滤 |
| 2.酸、碱和溶剂的滤清 |
8.听罐涂层的涂料过滤 |
| 3.碳墨及助滤剂的去除 |
9.洗瓶用碱洗液的过滤 |
| 4.管道结垢的去除 |
涂料和油漆 |
1.去降悬浮凝结块 |
| 5.乳液和悬浮液的过滤 |
2.去除油漆凝结块 |
| 3.去除油漆中的结块 |
| 精细化工 |
1.催化剂回收 |
4.溶剂的过滤 |
| 2.去除表面活性剂结晶盐分 |
5.贮罐污物的去除 |
| 3.X-射线悬物的滤清 |
6.球磨要填塞物的去除 |
| 4.洗涤剂的滤清 |
水处理 |
1.海水去除颗粒 |
| 5.化妆品原料及成品的过滤 |
2.离子交换树脂回收 |
| 3.冷却装置中系统净化 |
| 粘结剂 |
1.从丙烯酸粘结剂中去除凝胶 |
4.管道结垢的清除 |
| 2.树脂及结晶物的去除 |
5.矿泉水中去泥沙 |
| 3.去除胶性涂料中的凝结块 |
6.用于水处理的化学品过滤 |
| 4.热溶聚合物的过滤 |
7.城市供水的滤清 |
| 5.去除悬浮液中的PVA凝结块 |
8.钙结晶的去除 |
| 9.油田注水和完井液的过滤 |
|
| 四、常用结构及参数 |
|
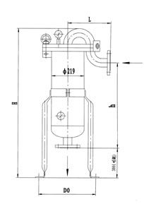
HD-DG型单袋式精细过滤器
|
型号
|
流量m3/h
|
过滤面积m2
|
安装尺寸
|
进出口
N1N2
|
|
H
|
h
|
L
|
D
|
D0
|
|
HD-DG-0.16
|
12
|
0.16
|
950
|
380
|
180
|
Φ114
|
Φ265
|
DN32PN1.0
|
|
HD-DG-0.25
|
20
|
0.25
|
1100
|
420
|
250
|
Φ219
|
Φ400
|
DN50PN1.0
|
|
HD-DG-0.5
|
40
|
0.5
|
1430
|
800
|
250
|
Φ219
|
Φ400
|
DN50PN1.0
|
|
| 注:表中流量以水为计算依据,工作压力≤1.0MPa |
 |
 |
| HD-D型单袋式精细过滤器 |
HD-D型多袋式精细过滤器 |
|
|
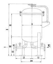
HD-DG型单袋式精细过滤器
|
型号
|
流量m3/h
|
过滤面积m2
|
安装尺寸
|
进出口
N1N2
|
|
H1
|
H1
|
H2
|
H
|
D
|
D0
|
L1
|
L2 |
|
HD-DG-3
|
120
|
3
|
780
|
580
|
200
|
2100
|
Φ600
|
Φ575
|
320
|
520
|
DN100PN1.6
|
|
HD-DG-4
|
160
|
4
|
780
|
590
|
210
|
2100
|
Φ600
|
Φ575
|
320
|
520
|
DN125PN1.6
|
|
HD-DG-6
|
240
|
6
|
780
|
790
|
290
|
2200
|
Φ800
|
Φ775
|
330
|
530
|
DN150PN1.6
|
|
HD-DG-8
|
300
|
8
|
860
|
820
|
320
|
2380
|
Φ900
|
Φ880
|
450
|
580
|
DN200PN1.6
|
|
HD-DG-10
|
360
|
10
|
1000
|
850
|
350
|
2850
|
Φ1000
|
Φ980
|
500
|
700
|
DN250PN1.6
|
|
HD-DG-16
|
580
|
16
|
1250
|
900
|
400
|
2950
|
Φ1200
|
Φ1180
|
550
|
850
|
DN300PN1.6
|
|
HD-DG-18
|
650
|
18
|
1500
|
1020
|
470
|
2950
|
Φ1200
|
Φ1180
|
600
|
950
|
DN350PN1.6
|
|
| 注:表中流量以水为计算依据,工作压力≤1.0MPa |
|
|
|
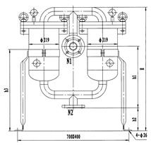
HD-H型并联式袋式过滤器
|
型号
|
流量m3/h
|
安装尺寸
|
进出口
N1N2
|
|
H
|
h1
|
h2
|
h3
|
|
HD-H-1-H
|
36
|
1040-1190
|
500
|
21-360
|
550
|
DN65PN1.6
|
|
HD-H-2-H
|
72
|
1175-1540
|
850
|
200
|
DN65PN1.6
|
|
| |