咨询热线:
0513-83325938

您当前的位置:江苏恒达电力石化设备有限公司 >> 过滤器系列 >> 活性碳过滤器
活性碳过滤器

加入时间:2015-12-1 9:28:17  点击:

产品特性
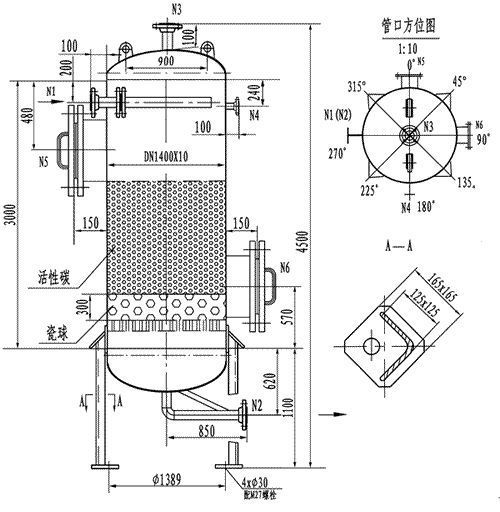
  活性碳过滤器内装8-10目颗粒状活性碳,一般石化行业中用于双脱装置,水处理车间等。活性碳有煤质碳、果壳碳或椰壳碳。它主要去除流体中的有机物,胶体化合物和硫化物,余氯等杂质,属于吸附过滤方式。
活性碳吸附饱和后无法通过反冲洗再生,必须及时更换,我公司在石油、化工、水处理等行业均有比较成熟的实例。各种技术参数不尽相同,请将处理量、工作压力、粘度、密度、温度等参数、传真或致电。
本公司将为你提供最合适的设备形式。
望来电询问
其主要典型结构如下 
 

 

上一页:吸吮式自清洗过滤器
下一页:气体过滤器
[ 其它相关文章 ]