咨询热线:
0513-83325938

您当前的位置:江苏恒达电力石化设备有限公司 >> 排水器系列 >> 单管式燃气管道冷凝水排水器
单管式燃气管道冷凝水排水器

加入时间:2015-11-28 9:55:28  点击:

一、产品简介
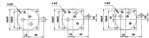
  本排水器分二室、三室、四室三种结构,分别适用于设计压力低于15000Pa,25000Pa,35000Pa的各种煤气管道,及时排除管道中的冷凝水。
二、结构特点
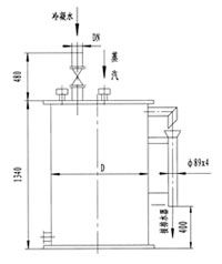
  本排水器不设固定水管,采用在观察孔处定期检查给水的办法。
第一次开工灌水时,需打开顶盖上的1"管帽排除空气。
  插入敞开室的蒸汽器,视气候条件确定是否需要外接蒸汽;
在不接蒸汽管时需将1"管帽盖上。
三、主要技术参数                
型号
水封总高度
mmH2O
筒体直径D
mm
水位高度
mm
水容积
m3
适用压力
Pa
参考质量
Kg(DN=100)
备注
H1D2-20-DN型
2040
529×6
1200
0.251
15000
300
单管二室式,DN=80,100,125
H1D3-30-DN型
3060
630×6
1200
0.376
25000
405
单管三室式,DN=80,100,125,150
H1D4-40-DN型
4080
630×6
1200
0.376
517
517
单管四室式,DN=80,100,125,150
 
  说明:1.DN为接管径,DN=80,100,125,150;2.示例:煤气管道最大压力为20000pa,接管规格133×4.5,应选型号:H1D3-30-125,其中“30”为水封高度(dm)。3.换算:1mmH2O=9.80665Pa 

上一页:HD-LP型防泄漏煤气排水器
下一页:[排水器系列]
[ 其它相关文章 ]