|
HD-KYX型空压机配套消声器系列
加入时间:2015-11-28 10:16:47 点击:次 |
一、结构形式
本系列消声器采用阻性吸声段与抗性段结合的阻抗复合型消声器,可与不同风量的空压机相配套。
二、适用范围
KYX型消声器主要用于降低空压机进排气口产生的空气动力性噪声,阻损小于200Pa,消声量≥25dB(A)。
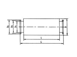
三、KYX型空压机配套消声器系列外形示意图 |
|
|
|
|
四、规格、性能、外形尺寸
|
型号
|
流量
(m3/min)
|
外形尺寸
|
|
L
|
I
|
D
|
D1
|
D2
|
D0
|
适用消声部件
|
|
KYX3X
|
3
|
1000
|
800
|
320
|
80
|
125
|
170
|
进气消声
|
|
KYX6X
|
6
|
1220
|
1020
|
370
|
100
|
144
|
170
|
进气消声
|
|
KYX10X
|
10
|
1220
|
1020
|
420
|
150
|
200
|
210
|
进气消声
|
|
KYX20X
|
20
|
1420
|
1220
|
560
|
200
|
250
|
300
|
进气消声
|
|
KYX40X
|
40
|
1620
|
1420
|
650
|
250
|
300
|
350
|
进气消声
|
|
KYX100X
|
100
|
2180
|
1880
|
1000
|
450
|
650
|
350
|
排气消声
|
|
KYX200X
|
200
|
2500
|
2200
|
1200
|
700
|
800
|
900
|
进气消声
|
|
| |
|
上一页:HD-QX、HD-QH型高压离心通风机消声器系列
下一页:HD-GJX型高炉均压放散阀消声器系列 |
| [ 其它相关文章 ] |
|