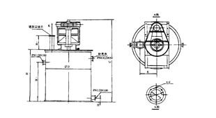
一、产品简介
该桶可将火力发电厂电除尘器、省煤器、空气预热器等灰斗下部储灰斗中的煤灰在桶内加水进行高浓度的搅拌。浓度由加入的水量调节,搅拌后之灰浆通过排放口进入排灰槽,桶内过剩水可由上部溢流这溢出,搅拌轴采用辐射形螺旋叶轮结构,工效高、省电、省水、操作方便。
本产品也是化工、矿山等行业为含固体颗粒的浆体高浓度搅拌的必要设备。 |
|
|
|
|
|
项目
|
HJ-1500
|
HJ-2000
|
HJ-2500
|
HJ-3000
|
|
有效容积
|
2.3-5.6
|
11.2
|
18
|
|
|
处理干灰量T/h
|
6
|
15
|
30
|
40
|
|
灰水浓度比
|
1:2.5
|
1:2.5
|
1:2.5
|
1:2.5
|
|
叶轮
|
直径mm
|
Φ400
|
Φ500
|
Φ600
|
Φ850
|
|
转速r.p.m
|
280
|
290
|
270
|
250
|
|
电动机功率Kw
|
5.5
|
7.5
|
10
|
22
|
|
外
形
尺
寸
mm
|
ΦD
|
Φ1500
|
Φ2000
|
Φ2500
|
Φ3000
|
|
H
|
1500
|
2000
|
2500
|
3000
|
|
C
|
2484
|
3116
|
3848
|
4311
|
|
DN
|
133
|
159
|
194
|
219
|
|
Φ
|
225
|
225
|
280
|
305
|
|
n-d
|
8-Φ18
|
8-Φ18
|
8-Φ18
|
8-Φ18
|
|
H3
|
100
|
100
|
120
|
120
|
|
H1
|
1030
|
1500
|
1950
|
2400
|
|
H2
|
64
|
130
|
120
|
120
|
|
E
|
550
|
710
|
918
|
1060
|
|
| |
|