一、应用
FP氧气管道阻火器和FPV氧气管道阀门后阻火器是我厂与科研院所合作开发的新产品,它采用特种铜合金和不锈钢、碳钢焊接而成,在氧气管道中具有阻火特点,可有效地切断火源,杜绝管道中燃爆事故的发生,在管道输氧过程中,愈来愈显示它的必要性与阻燃的优越性。 |
|
|
|
|
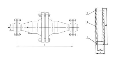
二、规格及结构尺寸 FP、FPV型
|
公称通径
|
D1
|
D2
|
L
|
|
PN1.0MPa
|
PN1.6MPa
|
PN2.5MPa
|
PN4.0MPa |
|
15
|
18×3
|
57×3.5
|
330
|
330
|
330
|
330
|
|
20
|
25×3
|
57×3.5
|
330
|
330
|
340
|
340
|
|
25
|
32×3.5
|
73×4
|
365
|
365
|
375
|
375
|
|
32
|
38×3.5
|
73×4
|
375
|
375
|
390
|
390
|
|
40
|
48×3.5
|
89×4
|
375
|
390
|
405
|
410
|
|
50
|
57×3.5
|
108×4
|
420
|
425
|
445
|
465
|
|
65
|
73×4
|
133×4.5
|
485
|
485
|
515
|
520
|
|
80
|
89×4
|
159×4.5
|
505
|
520
|
560
|
560
|
|
100
|
108×4
|
219×6
|
555
|
560
|
600
|
645
|
|
125
|
133×4.5
|
273×8
|
615
|
620
|
670
|
720
|
|
150
|
159×4.5
|
325×8
|
665
|
665
|
735
|
800
|
|
200
|
219×6
|
377×9
|
940
|
950
|
1015
|
1100
|
|
250
|
273×8
|
480×10
|
1030
|
1070
|
1150
|
1265
|
|
300
|
325×8
|
529×10
|
1295
|
1295
|
1430
|
1545
|
|
350
|
377×9
|
630×12
|
1300
|
1350
|
1430
|
1545
|
|
| |
|
公称通径
|
DN
|
15
|
20
|
25
|
32
|
40
|
50
|
65
|
80
|
100
|
125
|
150
|
200
|
250
|
300
|
350
|
400
|
|
FP氧气管道阻火器
|
D
|
18
|
25
|
32
|
38
|
48
|
57
|
76
|
89
|
108
|
133
|
159
|
219
|
273
|
325
|
377
|
426
|
|
L
|
600
|
600
|
600
|
600
|
600
|
700
|
700
|
700
|
700
|
700
|
800
|
800
|
800
|
800
|
800
|
800
|
|
FPV氧气管道阀门前、
后阻火器
|
D
|
18
|
25
|
32
|
38
|
48
|
57
|
76
|
89
|
108
|
133
|
159
|
219
|
273
|
325
|
377
|
426
|
|
L
|
1600
|
1600
|
1600
|
1600
|
1600
|
1700
|
1700
|
1700
|
1700
|
1700
|
1800
|
1800
|
1800
|
1800
|
2030
|
2030
|
|